腐蚀科学与防护技术  2014 , 26 (6): 550-554 https://doi.org/10.11903/1002.6495.2013.397

Texaco工艺烧嘴失效分析及对策

李聿营

中国石化齐鲁分公司第二化肥厂 淄博 255400

Failure Analysis of Burners for Texaco Process and Countermeasures

LI, Yuying

Sinopec Qilu Branch of the Second Chemical Fertilizer Plant, Shandong, Zibo 255400, China

中图分类号:  TG172

通讯作者:  通讯作者:李聿营,E-mail:qlehjdb@163.com

网络出版日期:  --

版权声明:  2014 《腐蚀科学与防护技术》编辑部 版权所有 2014, 腐蚀科学与防护技术编辑部。使用时,请务必标明出处。

作者简介:

李聿营,男,1972年生,硕士,高级工程师,研究方向为煤化工和石油化工设备技术管理

展开

摘要

介绍了Texaco工艺烧嘴的结构特点、工作机理以及性能要求。结合齐鲁石化分公司Texaco工艺烧嘴的使用状况,介绍了其主要失效模式、判断方法及失效危害,从高温腐蚀、冲刷磨损腐蚀、热应力开裂以及性能失效等方面进行了失效机理和影响因素分析;通过维修质量的控制和改进、工艺操作参数的优化、改善水煤浆质量以及加强工艺烧嘴的管理等措施,提高了工艺烧嘴的使用寿命,实现了煤气化装置的长周期运行。

关键词: Texaco工艺烧嘴 ; 失效模式 ; 机理分析 ; 对策措施

0

PDF (2125KB) 元数据 多维度评价 相关文章 收藏文章

本文引用格式 导出 EndNote Ris Bibtex

李聿营. Texaco工艺烧嘴失效分析及对策[J]. , 2014, 26(6): 550-554 https://doi.org/10.11903/1002.6495.2013.397

1 前言

齐鲁石化分公司煤气化装置采用美国GE公司Texaco水煤浆气化工艺,顶置单喷嘴气流雾化技术,设计压力为6.5 MPa;烧嘴采用三通道内外混水煤浆气化工艺烧嘴。工艺烧嘴通常工作在高温高压的苛刻条件下,在1350 ℃左右的高温炉膛内,承受火焰舔烧、高温热辐射以及三相 (氧气、水、煤颗粒) 物料流的高速冲刷,经常产生不同形式的失效损坏,进而影响工艺生产的正常运行。目前工艺烧嘴平均使用寿命为60 d左右,失效部位主要集中在伸入炉膛内部的烧嘴头部。因此,有必要结合工艺烧嘴的结构特点及失效模式,对其失效机理和影响因素进行分析,并在烧嘴维修及运行维护等方面加以改进和控制,有效地延长烧嘴使用寿命以提高气化炉运行周期,实现装置长周期经济运行。

2 Texaco工艺烧嘴结构特点及性能要求

Texaco水煤浆三通道内外混气化工艺烧嘴结构,从内至外三个通道内介质依次为中心氧气、水煤浆、外环氧气。从烧嘴头部结构 (如图1) 可以看出,中喷头比外喷头轴向内缩几个毫米,而内喷头比外喷头轴向内缩几十毫米。烧嘴头部设置了水夹套和冷却水盘管,以抵御炉内高温对外喷头的灼烧。

工艺烧嘴整体材料为Incoloy 600,而头部外喷嘴材质则采用整体 (或堆焊) 钴基耐磨高温合金UMCo50,它特别适于既要求耐氧化、同时需要一定的高温强度、又要求抗热腐蚀、抗热冲击和耐磨损的应用环境。尤其在含Si的氧化气氛中,对重油或其他燃料燃烧产物介质有非常好的抗热腐蚀性能[1],广泛使用在煤化工烧嘴喷头方面。

水煤浆加压气化所用工艺烧嘴属于介质雾化式喷嘴,它利用高速的氧气与较低速度的水煤浆相互冲击、摩擦,将水煤浆破碎为细小雾滴。水煤浆流经中间管与中心管形成的环隙,首先与中心管内的氧气在烧嘴头部内腔中的小型混合室里以一定交角相互撞击,实现预混合,高黏度水煤浆被初步雾化;氧气、水、煤粉颗粒的混合湍流喷出中间喷头时,又受到了外环氧的冲击、剪切和摩擦等作用,气液固三相流之间发生剧烈碰撞、合并、穿插和分离,已经被初步雾化的水煤浆又被外环隙来的O2进一步冲散,使氧气与水煤浆之间实现了充分混合,给进炉后煤的气化创造了良好条件。

图1   齐鲁I型工艺烧嘴头部结构图

   

工艺烧嘴性能要求如下:(1) 雾化效果好,即雾化后的煤浆粒子小,分布均匀,与O2混合充分,在高温气化炉内快速发生不完全燃烧反应;(2) 烧嘴的最佳工作状态与气化炉匹配,即在工作状态下,雾化张角合适,火焰长短 (反应高温区位置) 合理,以避免对耐火砖及烧嘴本体带来不利的影响;(3) 操作弹性大,既能满足开车时的低负荷,又能满足正常生产时高负荷 (50%~100%),且在操作范围内其工作性能不变;(4) 使用寿命长,即在保证其工作性能的前提下最大限度的延长其使用寿命,以确保装置的长周期稳定运行及经济运行的目标。

3 Texaco工艺烧嘴的使用情况

Texaco煤气化原料为水煤浆,浓度高、黏度大且含有一定量的有害杂质 (Si,S和Cl等),导致工艺烧嘴雾化困难,且冲刷磨损腐蚀严重。所产粗煤气成份为H2、CO、CO2、H2S、CH4等 (其中H2+CO≥80%),具有强还原性和腐蚀性。

Texaco煤气化装置运行以来,多次发生因工艺烧嘴失效导致气化炉停车更换的情况,影响煤气化装置的长周期稳定运行。据统计,目前工艺烧嘴的平均运行时间在60 d左右,其失效模式主要表现为外喷嘴表面材料发生龟裂、脱落,冷却腔体发生泄漏;中喷嘴冲蚀磨损减薄严重;冷却盘管角焊缝热应力开裂等。

通过复测运行60 d左右的烧嘴头部结构尺寸发现,其内喷嘴、中喷嘴的缩进量较初始尺寸减小大约2.5 mm左右,外环间隙缩小大约0.5 mm左右。观察冷态雾化实验看到,烧嘴的雾化角度变大,粒度分布不均匀,并且个别烧嘴发生偏喷。上述现象表明,头部结构尺寸的变化引起工艺烧嘴性能的改变 (雾化效果差、偏喷或烧嘴压差低等) 是其另一种失效模式。

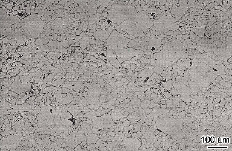
对使用后工艺烧嘴的外喷嘴端面材料UMCo50进行光谱分析和硬度测试,化学成分和物理性能符合相关标准。对外喷嘴端面PT检查,表面呈现严重的疲劳腐蚀开裂特征 (图2),同时伴有晶间、沿晶、穿晶特性,裂纹沿外喷口径向呈放射状分布;金相检验显示外端面存在较多内裂纹,是典型的沿晶断裂形式。显微金相组织为奥氏体基体+沿晶界析出的碳化物+针状、棒状Laves相析出,奥氏体晶粒大小不均匀,依据GB/T6493-2002,分析部位平均晶粒度评级为6.5~7级,存在4级粗大晶粒。

4 Texaco工艺烧嘴的失效判断及危害

在工艺烧嘴运行初期,压差相对平稳,压差曲线呈密集锯齿状分布,各项工艺运行参数基本保持不变;随着使用时间的延长,烧嘴压差逐渐降低,波动幅度增大,频次增加,在氧煤比不变的情况下,气化炉内有效气体成分下降,CO2含量上升较多,炉温整体上移。而监控烧嘴冷却水在线CO含量分析曲线会出现瞬间高报,随着时间推移报警频次加大,报警峰值升高。综合以上因素可以判定工艺烧嘴已发生性能失效或已泄漏失效。

Texaco工艺烧嘴的失效会导致烧嘴雾化性能降低,火焰形态发生改变,气化炉内反应流场也随之改变,从而引起气体成分的变化,有效气体成分明显下降;气化炉局部温度过高,烧坏热偶,严重时窜气,导致炉壁温度上升。工艺烧嘴失效还可能形成偏喷,造成气化炉砖偏烧,局部蚀损加重,加剧锥底砖和激冷环的损坏;烧嘴头部冷却夹套泄漏或烧嘴冷却盘管泄漏,则容易导致炉内高压煤气窜入低压烧嘴冷却水系统,引起着火爆炸。工艺烧嘴一次性连续使用寿命较短,更换频繁,导致气化炉开停车频繁,容易造成激冷水系统堵塞,并对气化炉砖形成较大的热冲击,影响筒体砖的使用寿命。

5 Texaco工艺烧嘴失效分析

从Texaco工艺烧嘴的使用条件和使用状况分析得出,其失效机理主要有高温氧化引起材质的劣化、冲刷磨损腐蚀导致壁厚减薄以及热应力造成疲劳开裂,它们单独或共同作用,加剧了工艺烧嘴的损坏;而烧嘴头部结构尺寸、工艺操作条件以及水煤浆的质量则是影响工艺烧嘴使用性能的重要因素。

5.1 失效机理分析

5.1.1 高温腐蚀 高温腐蚀是工艺烧嘴的主要破坏形式之一,直接和温度、介质有关。高温会带来材质的劣化,特别是在应力的作用下会加速这一进程。在高温下材料没有疲劳极限,疲劳强度随循环次数的增加不断降低,寿命随着温度的提高而减少。绝大多数处于高温氧化环境中的部件,同时又受到外加力的作用。一般这种情况下,力学因素促进材料氧化;另一方面,氧化影响到材料的高温强度等力学性能。水煤浆喷嘴的冲刷腐蚀是一个典型的例子[2]

图2   烧嘴外端面裂纹内部腐蚀特征

   

高温环境中金属材料组织会发生转变,影响构件的抗氧化性能,特别是介质中含S、Cl、V2O5、NaSO4等有害组份时在800 ℃以上就会发生一系列热腐蚀,会破坏氧化膜的致密性,可以有选择的生成低熔点的腐蚀产物。其中S通过氧化层扩散和通过氧化层缺陷、裂纹渗透的能力很强,它可以在氧势更低的金属层内部、基体界面以及基体内部形成硫化物,从而导致硫化-氧化腐蚀[3]。产生的硫化产物为低熔点Co4S3(934 ℃),甚至与Co形成共晶点温度更低 (877 ℃) 的Co-Co4S3;而高温形成氯化物CoCl2的熔点 (740 ℃) 则更低。有害杂质促进了晶界热腐蚀的进程,加剧了金属的蠕变;而基体金属和氧化膜热膨胀系数的差别、氧化膜生长速度的差别将会导致氧化膜剥落,促进裂纹扩展。

因此,随着在炉内运行时间的延长,其外喷嘴头部断面裂纹数量和深度会不断增加,在外喷口四周脱落后使出口截面向内收缩幅度增加,造成内喷嘴缩进量H大幅减小,直接导致烧嘴喷出火焰的长度加长 (反应高温流场增大),雾化效果变差。

5.1.2 冲刷磨损腐蚀 由于水煤浆不同于一般液体燃料,它浓度高、粘度大、雾化困难。为了使水煤浆中的煤粉在气化炉中充分气化,必须用相应数量的氧气对水煤浆进行有效雾化,且为了达到良好的雾化效果,预混腔内的混合物 (水煤浆、氧气) 流速必须达到一定的数值 (平均流速12~20 m/s),但煤粉中的黄铁矿、石英等许多高硬度杂质的存在 (其中有的硬度高达HV2500以上) 在高流速条件下会对中喷头内腔造成严重的冲蚀磨损,直接导致初次雾化工质出口截面积增大,流速降低,雾化介质动能减小,与外环隙O2二次雾化效果变差。而烧嘴的外喷出口处存在较高的射流,也是高温工艺气体回流速度最高的区域,外喷头的端面受到含有固体煤粉颗粒的高温工艺气体的不断冲刷,也是造成外喷嘴端面破坏的一个主要原因。

5.1.3 热应力开裂 工艺烧嘴外喷嘴孔口及外端面表面是该部件机械加工后应力集中的部位,在高温条件下,应力释放是造成放射性裂纹的根源,也是外喷头破坏的最主要因素之一。冷却水盘管和外喷头焊接处的焊缝也会受到热应力破坏,原因是两个零件之间的焊接方式为角焊缝,壁厚差别较大,使用材料也不同,又处于烧嘴的端部,在使用过程中容易产生由于热应力引起的疲劳裂纹,导致焊缝开裂泄漏;腐蚀性气体和灰渣的侵蚀及焊缝处的残存应力也是焊缝开裂的影响因素;而冷却盘管内的冷却水温度控制不当,容易造成盘管表面的低温腐蚀,在焊缝薄弱处开裂。

5.2工艺烧嘴性能影响因素分析

5.2.1 结构尺寸的影响 外环间隙的宽度决定了外环氧气的流速大小,进而会影响烧嘴的出口流速,即烧嘴的射程与流场;另外,由于环形气流主要沿径向方向对初步雾化工质进行二次冲击,根据Webber的理论,液膜破碎的条件是液体所受切应力大于自身工质内力即粘滞力表面张力,液膜才能持续不断的破碎,此切应力减小时,工质We(韦伯数,表示阻力与表面张力之比)数不断减小,没有足够动量的雾化气来对混合物进行扰动、冲击雾化,液膜破碎的速度就受到影响[4],所以就会造成烧嘴的雾化性能降低。外环间隙尺寸是保证工艺烧嘴使用周期的最关键参数。

内喷嘴缩进量决定了中心氧受煤浆阻力的大小,即中心氧出烧嘴时与炉膛内的压差,也就是说它决定了中心氧出烧嘴时的喷射速度。因此,该缩进量直接影响到烧嘴喷出的火焰长度 (反应区域的大小),左右着气化炉的运行状况[5];另外,该缩进量也直接影响到初步雾化与二次雾化的雾化质量。总之,在烧嘴出口面积尺寸一定的情况下,内喷嘴缩进量对工艺烧嘴的雾化效果有着重要的影响,是除外环隙之外另一个决定烧嘴运行效果的重要参数。

工艺烧嘴头部各喷嘴的同轴度误差如果太大,将会导致烧嘴发生偏喷,加剧外喷嘴的局部烧蚀损坏,影响烧嘴的雾化效果和使用寿命;同时也会对气化炉某个局部的耐火砖和激冷环造成非正常的冲刷和烧蚀,进而影响气化炉的运行周期。

综合以上分析并结合烧嘴的运行状况可以得出,随着工艺烧嘴在炉内运行时间的延长,烧嘴头部高温合金材料长时间在1350 ℃左右的高温下发生了金属蠕变,从而导致外环间隙的缩小;外喷嘴的龟裂脱落则会导致内喷嘴缩进量的减小;中喷嘴冲蚀磨损则会使初次雾化工质出口截面积大幅增加。工艺烧嘴头部各结构尺寸较设计参数产生了明显的变化,是导致工艺烧嘴性能下降或最终失效的根本原因。

5.2.2 工艺操作的影响 Texaco工艺烧嘴的原理是利用O2高速喷出的动能来雾化水煤浆,因此氧煤比会对烧嘴的雾化性能带来直接的影响。烧嘴 (三流道内外混) 的液雾平均粒径 (SMD) 经测定随着氧/煤比的增加而减小,但当氧/煤比达到某一值之后,其变化趋缓[6]。也就是说在控制氧/煤比一定范围内随着O2的压力和流量的相对增大,工艺烧嘴的压差变大,雾化效果越好,煤浆在气化炉内燃烧充分,碳转化率升高,有效气体成份增加。但随着氧/煤比的增加气化炉操作温度也会明显上升,从而加剧对工艺烧嘴的烧蚀损坏。

中心氧的作用主要在于改善烧嘴喷出流体的流量密度分布。中心氧量不能太小,不然达不到对煤浆的稀释和加速作用;中心氧量也不能太大,一方面,会使预混合区的混合物流速增加太多,造成中心管出口处的磨损情况恶化,降低烧嘴的连续使用寿命,而这一点正是影响烧嘴使用寿命的最主要因素;另一方面,中心氧量增大时,必然使烧嘴外环氧量减小,其结果使整个烧嘴出口的火焰形状变得细长,无法与气化炉的内部型面匹配,造成较大直径的煤粉颗粒在气化炉内的停留时间变小,炉渣中的含碳量增加,引起气化效率的降低,而且会使火焰直冲炉底,影响气化炉锥底砖和激冷环的使用寿命。

负荷弹性大小是衡量烧嘴性能的一个重要指标,烧嘴的雾化性能随着操作负荷而变化。一般的说,随着操作负荷的增加,烧嘴的SMD下降,当负荷达到设计负荷后,SMD变化趋势减缓,因此通过对烧嘴的负荷试验可探索烧嘴的最佳操作状况,主要是设计流速不能偏低[7]。低负荷运行时,由于烧嘴出口氧气的影响煤浆流速急剧降低,火焰黑区大大缩短,导致燃烧区上移,热辐射增大,且容易造成烧嘴头部局部过氧,使工艺烧嘴烧损。

5.3 煤浆质量的影响

水煤浆质量也是影响工艺烧嘴使用寿命的重要因素,其自身性质 (如煤浆浓度、粘度、不同粒径的颗粒物组成等) 对工艺烧嘴的雾化和磨损都有不同程度的影响。水煤浆浓度越高或粒度过小,粘度越大,对设备磨损越严重;高粘度的煤浆其表面张力较大,在雾化时不利于煤浆颗粒的破碎,致使雾化效果变差;而水煤浆的稳定性不好,容易形成分层,则不利于良好雾化。

另外,原煤中Si,S及Cl等有害杂质的含量也是影响工艺烧嘴的寿命产生重要因素。煤中Si含量高会使煤的灰熔点升高,导致气化炉提温操作,加速对工艺烧嘴的高温烧蚀和冲刷磨损;煤的S含量升高则会加剧对高温合金材料的硫化腐蚀。

6 对策措施

6.1 维修质量控制

Texaco工艺烧嘴外喷嘴基材选用优质UMCo50材料,其中Co≥48%以上,Cr≥27%,Mn、Si、P等杂质含量控制在标准范围之内,HB≥350以上。外喷嘴端面在采用堆焊修复时,首先要彻底车削清除基材裂纹,并进行渗透检测确认;其次对加工后的UMCo50基材表面进行清洗,预热温度达到350 ℃以上;最后采用UMCo50焊丝 (或GH188焊丝) 钨极氩弧焊堆焊,焊后应进行保温缓冷,消除热应力,以避免裂纹的产生,保证修复后端面材料性能参数达到或超过基材性能。

工艺烧嘴的头部各部件组对焊接涉及几种异种钢焊接,主要有:Incoloy600+UMCo50 (外喷头)、Incoloy600 +Incoloy600 (内喷嘴、中喷嘴)、UMCo50+Incoloy600 (冷却盘管),因此在零件的加工时要预留变形量,以保证组合件的最终尺寸和加工量

严格按照原始工艺包设计的烧嘴结构尺寸参数进行维修加工,工艺烧嘴的整体要求是:安装长度 (包括垫片) 允差±2 mm,垂直度全长允差±1 mm,同心度允差±0.5 mm,方位角度允差±1.5 mm。所以在制作装配工装时,制定的保证条件是:角度限位的方位偏差不大于±10′,垂直度公差不大于±0.5 mm,同心度公差不大于±0.3 mm,外环间隙和中喷嘴、内喷嘴缩进量偏差为±0.1 mm。

烧嘴装配合格后,对盘管进行水压试验,在14.3 MPa压力下,保压30 min,要求在保压过程中不得有任何渗漏现象;工艺烧嘴进行冷态模拟实验,观察水与空气混合后的雾化效果,雾化张角一般以45°~60°为宜;观察冷态下的水流对中情况,以检验烧嘴的对中情况。

6.2 维修改进措施

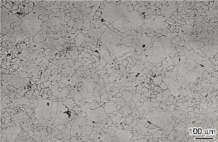
针对外喷嘴抗热应力裂纹进行改进,在工艺烧嘴外喷嘴 (UMCo50) 端面进行航天表面处理技术喷涂,应用抗热材料Ni-Cr-C,喷涂层厚度在1mm以内,减少了工艺烧嘴外喷嘴端面裂纹的产生,平均使用寿命延长了30 d左右 (如图3)。

对工艺烧嘴中喷嘴 (UMCo50) 内腔加衬航天耐磨材料HT110802,大大降低了工艺烧嘴在运行过程中煤浆对中喷嘴内腔 (内径) 的冲蚀磨损,烧嘴平均运行60 d后中喷嘴无明显冲蚀 (如图3)。

针对盘管与外氧喷头冷却水夹套焊接处产生的热应力裂纹缺陷,改进了外氧喷头的制作工艺,将冷却水夹套接管与外氧喷头一体锻造成型,改接管角焊缝为对接焊缝,有效地消除了热应力的影响,避免了裂纹的产生。改进后的外氧喷头结构如图4。

6.3 工艺操作参数的优化

(1) 维持系统高负荷运行,参照工艺包提供的负荷与气化炉压力对应关系进行操作,避免负荷及工艺参数的大幅波动;同时根据烧嘴的使用时间、工艺参数的变化及粗渣中的残碳等情况及时调整中心氧流量,使烧嘴达到最佳的工作状态。一般情况下控制中心氧比例在17.5%左右,在保证烧嘴的压差和雾化效果的同时,随烧嘴运行时间逐步降低中心氧比例,可以避免火焰过长引起的锥底温度升高,减轻对锥底砖的烧蚀。

图3   运行84 d后外喷嘴及中喷嘴的情况

   

(2) 适时调整氧/煤比,控制好气化炉的操作温度。工艺烧嘴运行初期,在保证炉温控制在煤的灰熔点以上操作的前提下,尽可能将炉温控制在较低的范围,减轻对工艺烧嘴头部的烧蚀,因此氧/煤比控制不宜过高;随着工艺烧嘴使用时间延长,其压差逐渐下降,雾化性能降低,适当增大氧/煤比例提升烧嘴压差以及炉膛温度,改善雾化性能,避免炉膛回流区温度低造成炉口处结渣,影响烧嘴的使用性能;一般情况下按照炉膛温度在1350 ℃以下控制合理氧/煤比。

图4   改进后的外氧喷头结构

   

(3) 减少频繁开停车或在线连投次数,避免工艺烧嘴在缺少煤浆冷却的情况下,承受炉膛内高温热辐射和氧化腐蚀, 从而提高工艺烧嘴的使用寿命;严密监控烧嘴压差变化和烧嘴冷却水中CO含量,严格报警确认,及早避免烧嘴失效事故的发生。

6.4 改善水煤浆质量

首先要选择灰熔点较低的原料煤 (流动温度FT≦1300 ℃),降低气化炉操作温度,减轻热辐射对烧嘴外喷头的冲击;控制原料煤中S、Cl等杂质含量 (S≦1% mg/mg,Cl≦160×10-6 mg/mg),以减轻高温下其对烧嘴合金材质高温硫化腐蚀,延长烧嘴的使用寿命;煤浆浓度控制在60%左右 (质量分数) 较为合适,适时调整添加剂加入量及磨煤机磨棒配比,将煤浆黏度控制在小于700~1000 mPas且成浆性能稳定,达到工艺烧嘴最佳雾化效果。

6.5 加强工艺烧嘴管理

(1) 每台工艺烧嘴使用前、后要进行相关的检验和基础数据的复测,包括头部冷却夹套的测厚、烧嘴外端面及所有焊缝的着色渗透擦伤检查、外喷嘴材质的光谱分析以及冷态的雾化实验等;对烧嘴的内喷嘴、中喷嘴缩进量、外环氧间隙以及外喷嘴、中喷嘴内径等关键结构尺寸数据进行测量,与设计尺寸进行校核。

(2) 对每台烧嘴建立完整的使用管理台帐,包括烧嘴的编号、设计参数、材质、投用日期、运行状况、维修控制记录以及质量验收报告等。其中运行状况重点记录烧嘴运行次数、开停车时间、总运行时间以及工艺参数 (压差、炉温、负荷、氧/煤比、中心氧、煤质等) 数据的变化情况;维修状况重点要记录使用前后的目测结果、尺寸数据对比、着色检查、检验分析、维修过程控制记录以及雾化试验等情况,留取相关影像资料。

(3) 对每台烧嘴的使用情况进行专题分析评价,总结经验,持续改进。

7 结论

延长Texaco工艺烧嘴的使用寿命是煤气化装置长周期稳定运行的保证,也是煤气化工艺设备综合管理水平的体现。在装置日常运行和维修中,针对工艺烧嘴的具体使用情况,结合失效机理和性能影响因素进行深入分析研究,并加以改进,可以延长工艺烧嘴的使用寿命达到90 d以上,实现了煤气化装置的长周期经济运行。


/